HVAC Ducting Modelling

Precision 3D modelling for HVAC systems including duct routing, equipment layout, and fabrication-ready drawings using Revit.

What We Offer

HVAC Engineering Services

Revit Modelling Services

Project Snapshots

HVAC HAP software snapshot
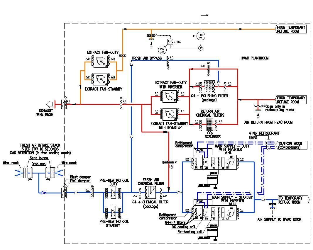
HAP CALCULATION
HVAC system rendering
HVAC REVIT MODEL
Ducting model example
SHOP DRAWING
Revit MEP coordination
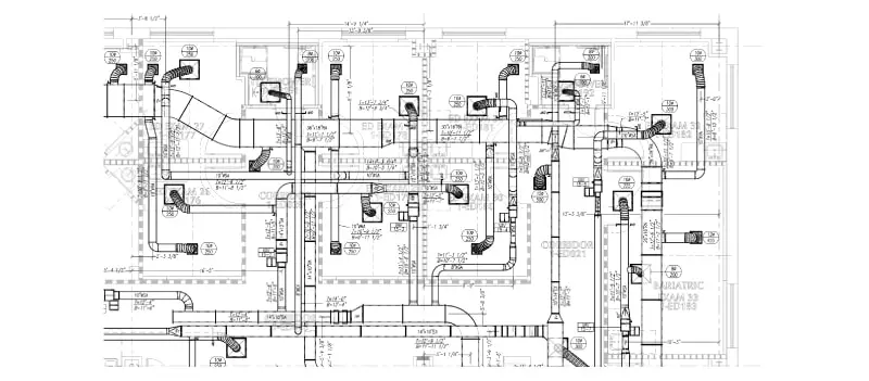
DUCT & ID DRAWING
Fabrication drawing sample
FABRICATION MODEL
Return to Service Page